NCBI Isoforms:NM_006808 |
crRNA Target Site:GCCATACCATATTGGAGATG |
Linker: SGLRS |
Cas9:Wildtype spCas9 |
AICS-0010
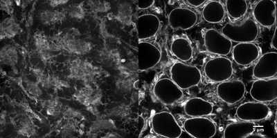
SEC61B in WTC-mEGFP (mono-allelic tag)
hiPS cell colony expressing mEGFP tagged Sec61-beta imaged on a spinning-disk confocal microscope. Left panel is a single slice near the bottom of the cell; right panel is a single slice near the middle of the cell.




EditingDesign
GenomicCharacterization
StemCellCharacteristics
mEGFP Insert

